opel astra elektrika oken. v jakem poradi to mam zapojit ?

Moderátor: Moderátoři

Odpovědět
Tothr
Příspěvky: 3
Registrován: 19 srp 2019, 16:26

opel astra elektrika oken. v jakem poradi to mam zapojit ?

Příspěvek od Tothr »

Zdar borci. Tíží mě noční můra a věřím,že zde najdu pomoc. Vlastním opel astra 1999 kombi a přikládám fotky o elektrickém zapojení předních oken. Koupil jsem ji teď a přesně takhle to vypadá. Pomůžete mi prosím s tím,jak to zapojit ? Děkuji. Červenej je 12v, ten co je z červeného hnědý je kostření a ty dva ovládací spínání. Díky.
68649901_378778643017812_6811444997582225408_n.jpg
69219454_481504345730747_5113949806238105600_n.jpg
Reklama
 

Uživatelský avatar
vasekpetr1
Příspěvky: 230
Registrován: 21 čer 2019, 17:51
Bydliště: Hospoda u Třebíče

Re: opel astra elektrika oken. v jakem poradi to mam zapojit

Příspěvek od vasekpetr1 »

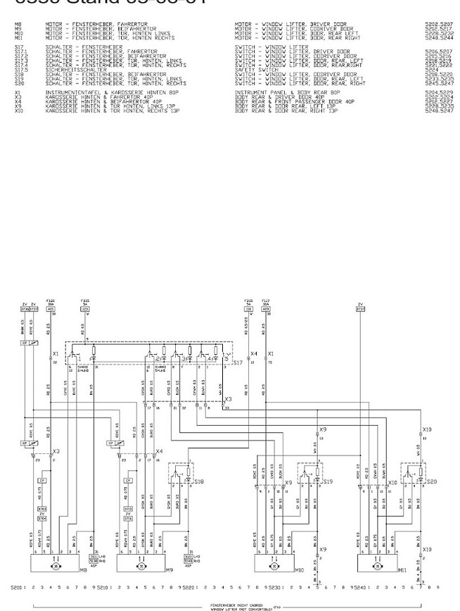
Na konektoru motorku stahování jsou tyto kabely:

Pin 1 - Rudý - trvalých 12V
Pin 2 - žluto-šedý - povel ke stažení (vytažení) od tlačítka
Pin 3 - žluto-modrý - povel k vytažení (stažení) od tlačítka
Pin 4 - hnědý - kostra
Pin 5 - červeno-bílý - povel k zavření okna od zamknutí a podržení klíče v zámku u řidiče
Pin 6 - červeno-žlutý - povel k zavření okna od jednotky centrálního zamykání

Tu dvojku a trojku si musíš prověřit, nevyčtu ze schematu, co je povel nahoru a co dolů.
Viděl jsem ale i jiné barevné provedení vodičů...

Nebo tobě jde o ten ovladač?
Přílohy
Stahování oken Astra G.jpg
Zafira B black line, Z19DT, 2008, WIN: W0L0AHM759G0031xx, 210 tkm
...a bydlím v Hospodě - Červené....
Tothr
Příspěvky: 3
Registrován: 19 srp 2019, 16:26

Re: opel astra elektrika oken. v jakem poradi to mam zapojit

Příspěvek od Tothr »

Právě,že mi jde o ten ovladač,jak to tam postupně nastrkat
Uživatelský avatar
vasekpetr1
Příspěvky: 230
Registrován: 21 čer 2019, 17:51
Bydliště: Hospoda u Třebíče

Re: opel astra elektrika oken. v jakem poradi to mam zapojit

Příspěvek od vasekpetr1 »

Takže:
Pin 1 a 2: stahování PZ okno (bílo-šedý, bílo-modrý)
Pin 3: blokování stažení zadních oken (dětská pojistka), bíílý
Pin 5 a 6: stahování okna spolujezdce (zeleno-šedý, červeno-modrý)
Pin 7 a 8: stahování LZ okno (červeno-šedý,červeno-modrý)
Pin 9: přívod +12V - spínaných +12V přes pojistku F3.15 - 5A (rudý)
Pin 10: kostra (hnědý)
Pin 11 a 12: stahování okna řidiče (žluto-šedý,žlutomodrý)

Jestli dobře vidím, tak pin 4 neosazen.
Přílohy
Astra ovladač oken.jpg
Zafira B black line, Z19DT, 2008, WIN: W0L0AHM759G0031xx, 210 tkm
...a bydlím v Hospodě - Červené....
Odpovědět

Zpět na „Technická Sekce“